Магазин запчастей для бытовой техники - Arlos
Москва
close
Выберите ваш регион
АбаканАлександровАльметьевскАнгарскАрзамасАрмавирАртемАрхангельскАстраханьАчинскБалаковоБалашихаБеларусьБелгородБердскБерезникиБийскБлаговещенскБратскБрянскВеликий НовгородВидноеВладивостокВладикавказВладимирВолгоградВолгодонскВолжскийВологдаВолховВоркутаВоронежВоскресенскВыборгГатчинаГеленджикГрозныйДедовскДербентДзержинскДзержинскийДимитровградДмитровДолгопрудныйДомодедовоДонецкЕвпаторияЕгорьевскЕкатеринбургЕлецЕссентукиЖелезногорскЖелезнодорожныйЖуковскийЗеленоградЗлатоустИвановоИвантеевкаИжевскИркутскИстраЙошкар-ОлаКазаньКалининградКалугаКаменск-УральскийКамышинКаспийскКемеровоКерчьКировКисловодскКлинКовровКоломнаКомсомольск-на-АмуреКопейскКоролёвКостромаКотельникиКрасногорскКраснодарКраснознаменскКрасноярскКурганКурскКызылЛенинск-КузнецкийЛипецкЛобняЛыткариноЛюберцыМагнитогорскМайкопМалаховкаМахачкалаМиассМоскваМурманскМуромМытищиНабережные ЧелныНазраньНальчикНаро-ФоминскНахабиноНаходкаНевинномысскНефтекамскНефтеюганскНижневартовскНижнекамскНижний НовгородНижний ТагилНовокузнецкНовокуйбышевскНовомосковскНовороссийскНовосибирскНовоуральскНовочебоксарскНовочеркасскНовошахтинскНовый УренгойНогинскНорильскНоябрьскОбнинскОдинцовоОктябрьскийОмскОрелОренбургОрехово-ЗуевоОрскПавловский ПосадПензаПервоуральскПермьПетрозаводскПетропавловск-КамчатскийПодольскПрокопьевскПсковПушкиноПятигорскРаменскоеРеутовРостов-на-ДонуРубцовскРыбинскРязаньСакиСалаватСамараСанкт-ПетербургСаранскСаратовСевастопольСеверодвинскСеверскСергиев ПосадСерпуховСимферопольСмоленскСосновый БорСочиСтавропольСтарый ОсколСтерлитамакСтупиноСургутСызраньСыктывкарТаганрогТамбовТверьТихвинТольяттиТомилиноТомскТроицкТулаТюменьУлан-УдэУльяновскУссурийскУсть-ИлимскУфаУхтаФеодосияФрязиноХабаровскХанты-МансийскХасавюртХимкиЧебоксарыЧелябинскЧереповецЧеркесскЧеховЧитаШахтыЩелковоЭлектростальЭлистаЭнгельсЮжно-СахалинскЯкутскЯлтаЯрославль
  • - бесплатно по РФ
    Автоперезвон. Работает по принципу: Вы позвонили на номер, мы сбрасываем звонок и перезваниваем через 3 секунды.
  • - по Москве
  • 8 (925) 663-83-63

Call-центр

пн-вс: 10:00-19:00

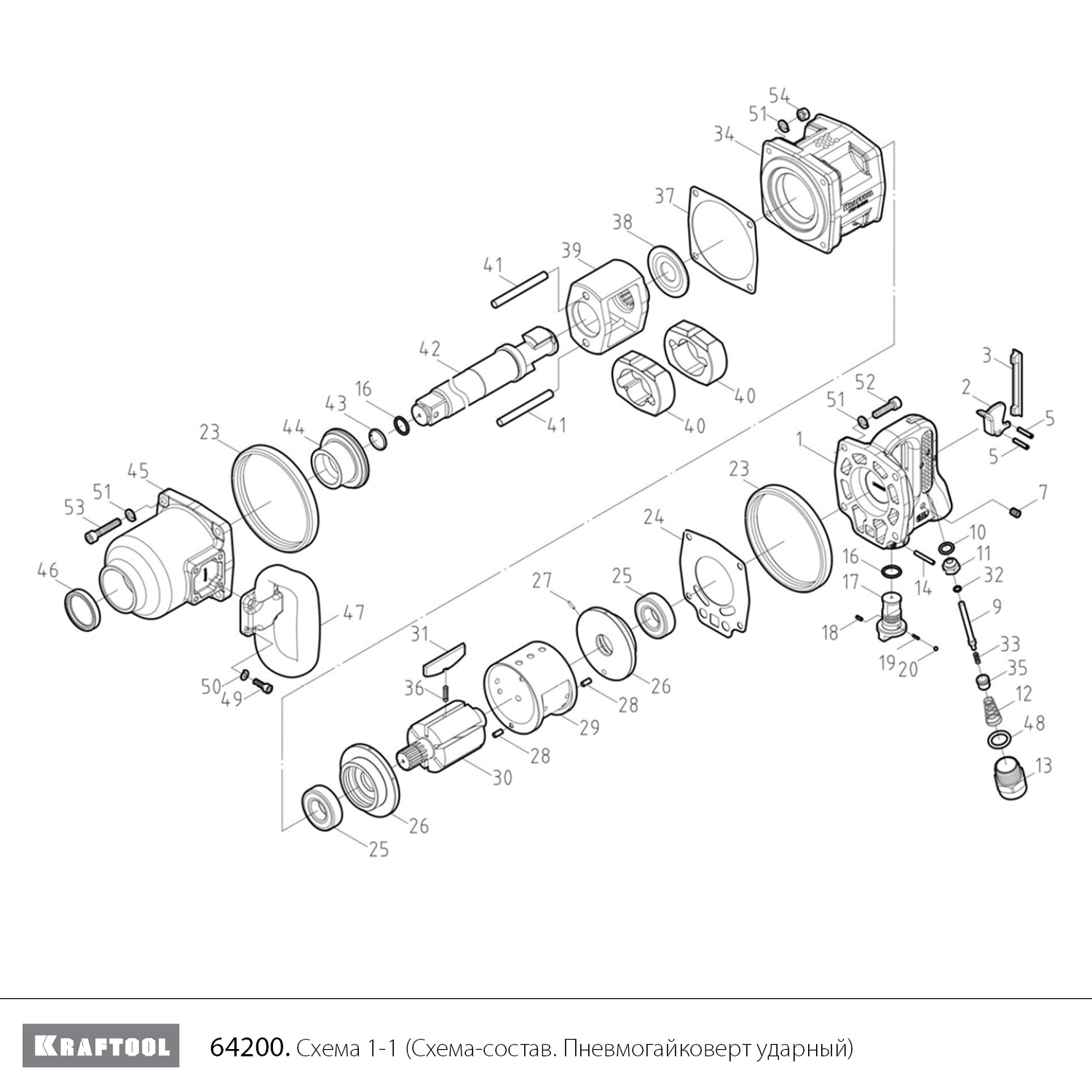
Ударный пневмогайковерт PW-3400 64200

Данная модель имеет несколько схем

NАртикулНазваниеСрок отгрузкиЦенаКупить
1 N000-037-847 Ручка задняя
2 N000-037-848 Курок
3 N000-037-849 Накладка резиновая
5 N000-037-850 Штифт пружинный
7 N000-037-851 Заглушка
9 N000-037-852 Клапан штифтовый
10 N000-037-853 Кольцо уплотнительное D16хd10.8x2.6 379 р.
11 N000-037-854 Клапан обратный
12 N000-037-855 Пружина коническая
13 N000-037-856 Штуцер 1/4″
14 N000-037-857 Штифт пружинный
16 N000-037-858 Кольцо уплотнительное
17 N000-037-859 Ручка регулятора скорости
18 N000-037-860 Штифт пружинный
19 N000-037-861 Пружина
20 N000-037-862 Шарик стальной D4
23 N000-037-863 Кольцо проставочное 475 р.
24 N000-037-864 Прокладка
25 N000-037-865 Подшипник шариковый 6205
26 N000-037-866 Крышка торцевая передняя
27 N000-037-867 Штифт пружинный
28 N000-037-868 Штифт пружинный
29 N000-037-869 Цилиндр
30 N000-037-870 Ротор
31 N000-037-871 Лопасть ротора (набор 6шт)
32 N000-037-872 Кольцо уплотнительное D7.6хd4.6x1.5 379 р.
33 N000-037-873 Пружина
34 N000-037-874 Корпус
35 N000-037-875 Клапан обратный
36 N000-037-876 Пружина D5.8х19 283 р.
37 N000-037-877 Прокладка
38 N000-037-878 Проставка задняя
39 N000-037-879 Держатель ударника
40 N000-037-880 Ударник
41 N000-037-881 Шпилька
42 N000-037-882 Шпиндель 1″
43 N000-037-883 Стопор муфты
44 N000-037-884 Втулка скольжения
45 N000-037-885 Корпус ударного механизма
46 N000-037-886 Сальник
47 N000-037-887 Рукоятка боковая
48 N000-037-888 Кольцо уплотнительное
Найдено товаров: 42
1
▲ Наверх
0
8 (925) 663-83-63

Call-центр

пн-вс: 10:00-19:00

НАЙТИ ПО МОДЕЛИ
Введите номер заказа
Введите номер своего заказа, что бы узнать его текущий статус.
Что бы получить доступ к расширенным функциям, пройдите не сложную регистрацию. Зарегистрироваться